ENGLISH
한국어
031-944-6480
doovac02@doovac.com
홈
회사소개
회사개요
인증서
CEO 인사말
경영철학
경영이념
경영원칙
핵심가치
제품소개
서비스
고객지원
홈
회사소개
회사개요
인증서
CEO 인사말
경영철학
경영이념
경영원칙
핵심가치
제품소개
서비스
고객지원
Product Infomation
내위치 :
Home
product
ENT070
Technical Specifications
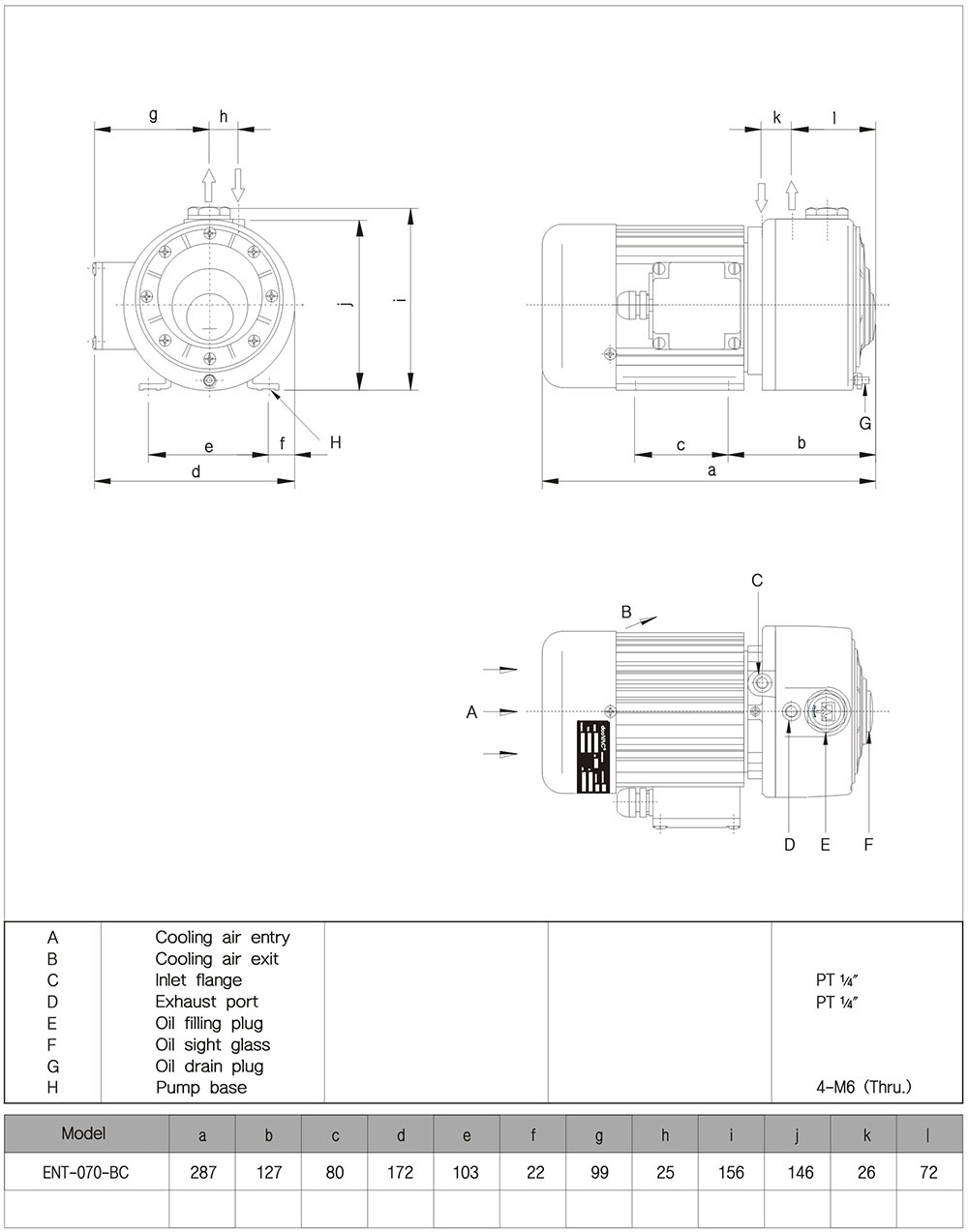
Product Dimension
Performance Curve
Share
Services
Vacuum Packing , Vacuum Forming , Vacuum Impregnation , Vacuum Drying , Vuction Transfer
Catalog
Download
Copyright © 2020 doovac.com. All rights reserved.