ENGLISH
한국어
+82-10-4152-5110
doovac-sgwon@doovac.com
Home
Company
Overview
Certificates
CEO Message
dooVAC's Philosophy
Business Philosophy
Management Principles
Core Values
Product
Service
Contact Us
Home
Company
Overview
Certificates
CEO Message
Philosophy
Business Philosophy
Management Principles
Core Values
Product
Service
Contact Us
Product Infomation
You are Here :
Home
product
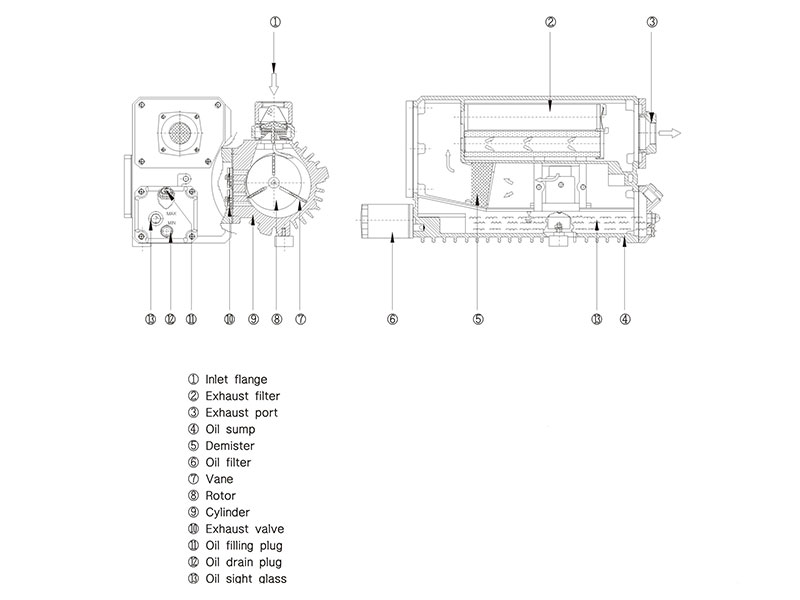
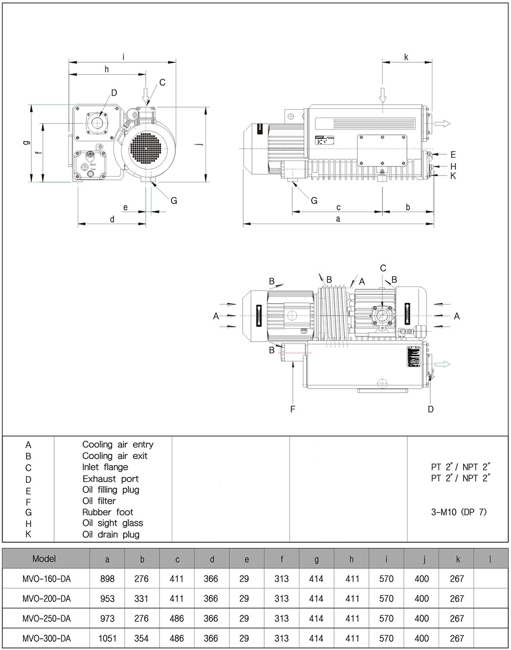
MVO160/200/250/300
Technical Specifications
Product Dimension
Performance Curve
Share
Services
Vacuum Packing , Vacuum Forming , Vacuum Impregnation , Vacuum Drying , Vuction Transfer
Catalog
Download
Copyright © 2020 doovac.com. All rights reserved.